This impressive Craftsman-style residence offers approximately 4,420 square feet of beautifully designed living space arranged across a spacious single-story layout. With four bedrooms, five bathrooms, and a generous three-car garage, the plan blends traditional architectural character with modern functionality. The wide footprint allows for expansive living areas, comfortable bedroom suites, and a natural flow between spaces that supports both everyday family life and large-scale entertaining. :contentReference[oaicite:0]{index=0}

Exterior & Curb Appeal
The exterior embraces the timeless appeal of Craftsman architecture, known for its strong rooflines, detailed gables, and welcoming porch elements. The home’s wide front elevation gives it a commanding presence while still maintaining warmth and approachability. Carefully arranged windows add rhythm and symmetry across the façade while allowing natural daylight to brighten the interior.
Craftsman homes are admired for their combination of handcrafted detailing and balanced proportions. The design of this residence reflects those principles, creating a home that feels both refined and inviting while blending seamlessly into suburban neighborhoods or scenic countryside settings.
Interior Layout
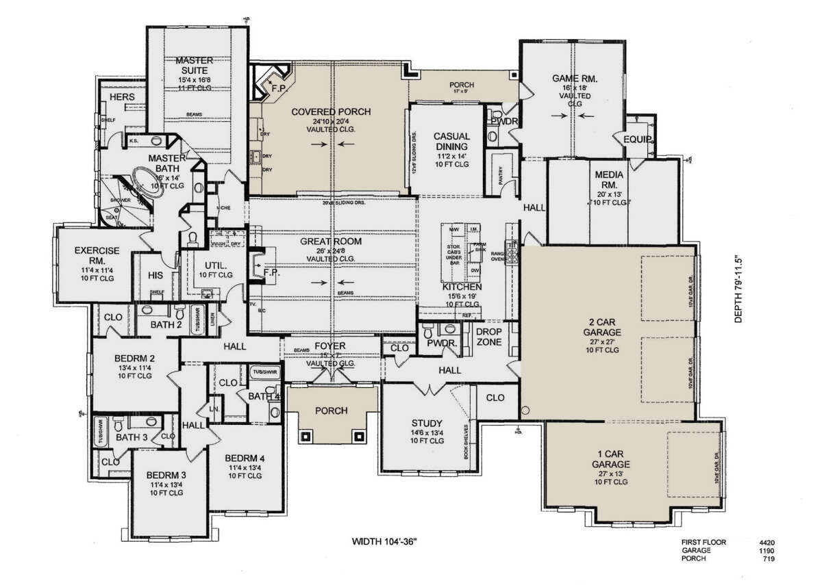
Inside, the layout is organized around a central open-concept living space that connects the great room, kitchen, and dining areas. This arrangement encourages interaction and movement throughout the home while preserving distinct zones for cooking, dining, and relaxation. Because the entire home is designed on a single level, circulation feels natural and accessible, with wide hallways and spacious rooms enhancing the overall sense of comfort.
The split-bedroom configuration helps maintain privacy by positioning the primary suite separately from the secondary bedrooms. This thoughtful planning ensures quiet personal retreats while keeping convenient access to shared spaces.

Kitchen & Living Areas
The kitchen serves as the heart of the home and is designed to accommodate both everyday cooking and entertaining. A large island provides abundant workspace and seating for casual meals or conversation. Extensive cabinetry and counter space support efficient meal preparation while maintaining a clean and organized appearance.
The kitchen flows naturally into the dining area and great room, allowing gatherings to move easily from one space to another. Large windows and open sightlines contribute to an airy atmosphere, creating a welcoming environment for family life and social events.

Bedrooms & Bathrooms
The primary suite functions as a private retreat designed for comfort and relaxation. The spacious bedroom connects to an ensuite bathroom that includes dual vanities, a large shower, and a walk-in closet that offers generous storage. This suite provides homeowners with a peaceful environment separate from the main activity zones.
Three additional bedrooms are thoughtfully arranged across the home, each with convenient access to nearby bathrooms. The design ensures that family members and guests enjoy privacy and comfort while still remaining connected to the home’s central living areas.

Bonus Spaces
Additional rooms within the layout add versatility to the home. A dedicated study offers a quiet place for work or reading, while a media room provides a comfortable entertainment space for movies or family gatherings. These flexible areas allow the home to adapt to changing lifestyle needs over time. :contentReference[oaicite:1]{index=1}

Outdoor Living
Outdoor living areas play an important role in this Craftsman design. Covered front and rear porches extend the home’s living space outdoors and provide comfortable areas for relaxing or entertaining. Whether used for morning coffee, outdoor dining, or evening gatherings, these spaces strengthen the connection between the home and its surrounding landscape.
The generous porch area enhances the home’s overall lifestyle appeal by creating outdoor environments that feel like natural extensions of the interior living spaces.
Practical Features
This home includes a spacious three-car garage that offers secure parking as well as additional storage for tools, equipment, or recreational gear. Functional areas such as a mudroom and main-floor laundry help keep daily routines organized while maintaining the clean design of the primary living spaces.
Additional practical features include an open floor plan, kitchen island workspace, and dedicated storage areas that contribute to the home’s overall efficiency and comfort. :contentReference[oaicite:2]{index=2}

Lifestyle Value
This Craftsman house plan is ideal for homeowners who appreciate classic architectural character combined with modern living convenience. Spacious communal areas encourage gatherings and family interaction, while the thoughtfully arranged bedrooms provide quiet retreats for relaxation. The inclusion of flexible spaces such as the study and media room ensures the home can easily adapt to changing lifestyle needs.
The result is a residence that balances elegance, functionality, and long-term livability.
Construction Cost Estimate (United States)
Constructing a home of approximately 4,420 square feet in the United States typically falls within an upper mid-range to luxury construction budget depending on regional labor costs, building materials, and interior finishes. Homes of this size require substantial structural framing, roofing systems, and interior finishing work, which significantly influence the total construction cost.
Premium materials such as stone or brick exteriors, custom cabinetry, designer lighting, and high-end flooring can increase the overall investment. Regional labor rates vary widely between rural areas and major metropolitan markets, and additional factors such as site preparation, foundation type, and landscaping will also influence the final project cost. Working with an experienced builder early in the planning process helps ensure the design aligns with realistic budgets and construction expectations.















